网站首页
关于我们
公司简介
荣誉证书
产品中心
氟碳涂料
FW8800蜂窝胶粘剂…
新闻资讯
公司新闻
行业新闻
案例展示
联系我们
当前位置:
网站首页
>
新闻中心
>
公司新闻
新闻中心
公司新闻
行业新闻
新福乐威涂料
0519-88990928
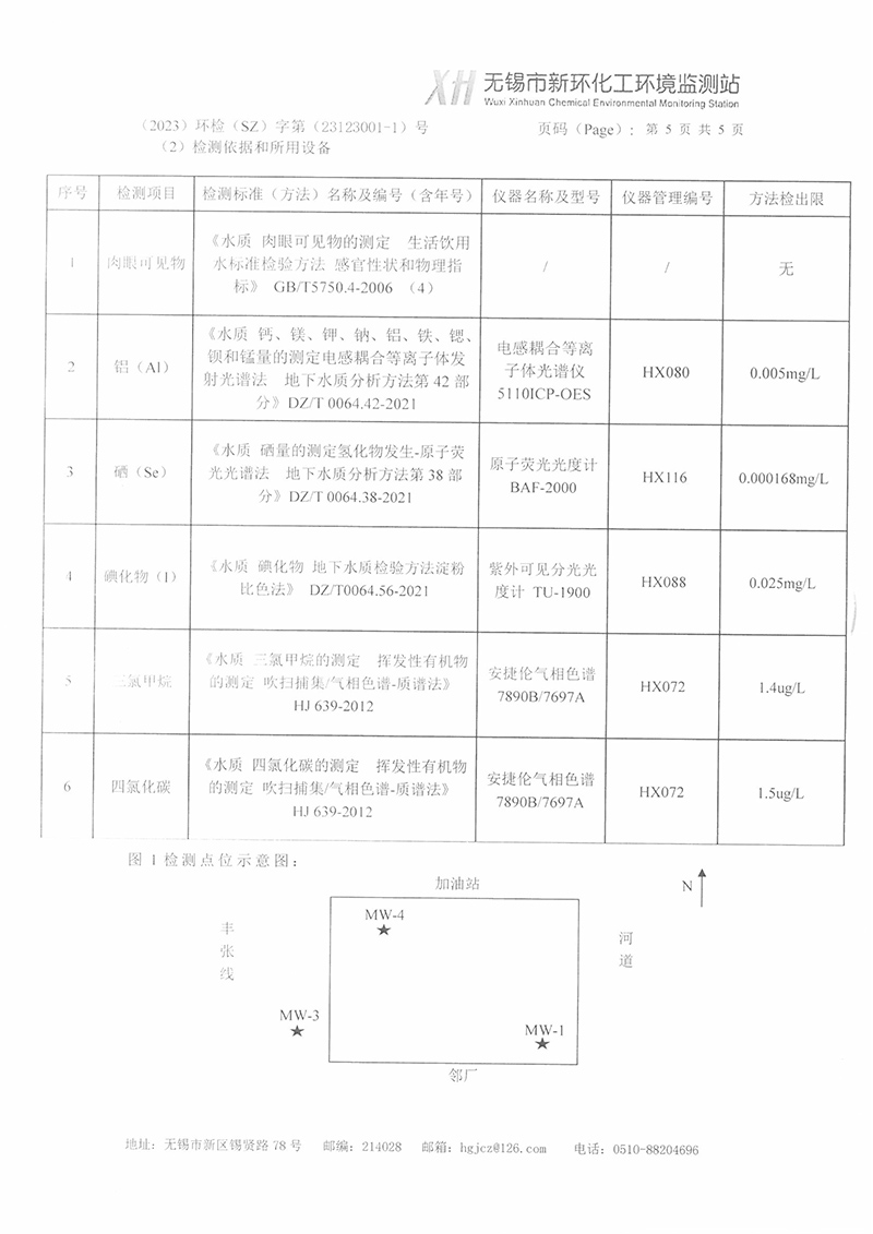
江苏新福乐威涂料有限公司-地下水-新环
江苏新福乐威涂料有限公司-地下水-新环
信息来源:本站 | 发布日期: 2024-01-04 | 浏览量:759
关键词:江苏新福乐威涂料有限公司-地下水-新环
转载请注明出处(江苏新福乐威涂料有限公司-地下水-新环:
/companynews/422
)
上一条:
江苏新福乐威涂料有限公司-土壤-无锡新环
下一条:
XS2306016W 江苏新福乐威涂料有限公司-水质、废气
相关文章
2024-07-23
>
2023排污许可证执行报告
2024-01-04
>
江苏新福乐威涂料有限公司-地下水-新环
2023-12-08
>
XS2311024W江苏新福乐威涂料有限公司-水质
2023-07-03
>
XS2306016W 江苏新福乐威涂料有限公司-水质、废气
2023-04-06
>
江苏新福乐威涂料有限公司-土壤-无锡新环
2023-03-31
>
江苏新福乐威涂料有限公司-水质-无锡新环
2020-03-10
>
涂料理想的属性包括哪些?
2019-12-27
>
工业涂料具有不同的类型,以满足各种要求
2019-11-14
>
工业涂料的主要类型有哪些?
2019-10-05
>
汽车玻璃涂料有哪些优点?
相关产品
暂无相关的产品...
网站首页
关于我们
产品中心
新闻资讯
案例展示
联系我们
咨询电话:
0519-88990928
传真:0519-85253282 地址:江苏省常州市武进区湟里镇东安三塘河
Copyright © 2019 江苏新福乐威涂料有限公司[官网]
苏ICP备19013381号
技术支持:
江苏东网科技
[管理后台]
Top